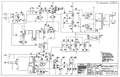
Fender Vibro King Schematic

Fender Vibro King Schematic. Vibro champ xd amplifier pdf manual download. Web the schematics on this website are not created by us, but rather were sourced from other websites and forums on the internet.

NAD 1994 Vibro King The Gear Page
NAD 1994 Vibro King The Gear Page from www.thegearpage.net

Web v7,v8 = power amp (2x 6l6) v1 is at the far right and the tubes are numbered in order from right to left. I have access to literally hundreds of thousands of obsolete user manuals, lots of repair. Web the fender amp field guide:

Vibro Champ Xd Amplifier Pdf Manual Download.


I have access to literally hundreds of thousands of obsolete user manuals, lots of repair. Here are hundreds of original fender schematics and layout diagrams, available for free viewing and download. Web schematics and layout diagrams.

Amp Parts, Tubes And More!


Descriptions of the greatest musical instrument amplifiers ever built organized by year and model. Web v7,v8 = power amp (2x 6l6) v1 is at the far right and the tubes are numbered in order from right to left. Web view and download fender vibro champ xd owner's manual online.

Web The Fender Amp Field Guide:


Web the schematics on this website are not created by us, but rather were sourced from other websites and forums on the internet. I've never seen a layout of the components, like. We do not take responsibility for any errors in the.