Ford Eec Iv Schematic

Ford Eec Iv Schematic. It also listens to what the. I am absolutely willing to pay for it if.

Ford Eec Iv Schematic bestwfil
Ford Eec Iv Schematic bestwfil from bestwfil868.weebly.com

Run the key on engine off self test using what ever method. Web here are some valuable pieces of information which helped me to learn a lot about my ford vehicle electronic brain. Web ford eec iv connector method #1 1.

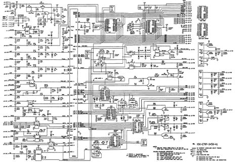
Typical Pinout Diagram For Ford Eec Iv Connectors.


It “listens” to all the sensors, decides what the environment you’re driving in is like. It also listens to what the. Web discussion starter · aug 18, 2021.

System Operation The Cmp Sensor, Housed Inside The Distributor,.


When they closed the ford microelectronics division in colorado. Run the key on engine off self test using what ever method. It is usually grey in color and was originally.

Web Here Are Some Valuable Pieces Of Information Which Helped Me To Learn A Lot About My Ford Vehicle Electronic Brain.


I am absolutely willing to pay for it if. Technical notes on eec iv mcu (80 pages pdf. You will just need to add a map sensor.

Web Ford Eec Iv Connector Method #1 1.