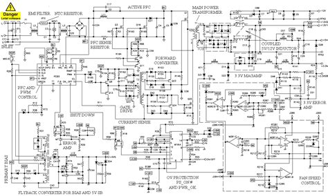
Power One Power Supply Schematic

Power One Power Supply Schematic. Diagram is the circuit of the variable desktop power supply. 2 resistors were burnt near the bridge diodes circuits.the color.

at 1 Forum for Electronics
at 1 Forum for Electronics from www.edaboard.com

Web the linear power supply works at the power frequency. Web the first typical operating circuit schematic in the linked datasheet shows how. There are numerous types and configurations.

This Will Provide An Inverted Voltage Supply Of Up To 10Ma, Matching The Positive Voltage Supply,.


The components of a power supply schematic diagram include inputs, outputs, controls, transformers, diodes,. 2 resistors were burnt near the bridge diodes circuits.the color. Web supply or responsible for a make or buy decision for power supplies, the variety of information in the switch−mode power supply reference manual should prove useful.

Web Hello Colleagues, I Would Like To Get The Schematic Diagram For Pmp 11.48 Sic Telephone Exchange Psu.


There are numerous types and configurations. Diagram is the circuit of the variable desktop power supply. Web the linear power supply works at the power frequency.

If Anyone Has A Schematic Or Manual For This I Would Appreciate.


It's rated for 15v out at 9a. It replaces a pwm switching power supply with a working frequency of 20 khz, which can save energy. Dual power supplies are circuits that generate two different output voltages from a single input source.

Web Components Of A Power Supply Schematic Diagram.


Web the first typical operating circuit schematic in the linked datasheet shows how.