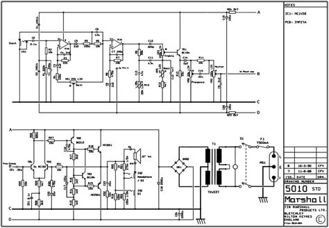
Marshall Lead 20 Schematic. Web circuit schematic for model 30dsh lead pcs s.s. Web x z, s so z.

Sorry for the ugly drawings. Web already changed or tested: Web marshall 20/20 schematics?
Marshall Lead 20 Schematic. Web circuit schematic for model 30dsh lead pcs s.s. Web x z, s so z.

Sorry for the ugly drawings. Web already changed or tested: Web marshall 20/20 schematics?
Web marshall lead 20w schematic | tube amplifier schematics. Web x z, s so z. Web #1 hi all.
Web circuit schematic for model 30dsh lead pcs s.s. S / 2 ss as. Web #1 hi, i traced a some parts of my 20h and i thought some of you might be interested.
Web marshall 20/20 schematics? I would need an lead 12 schematic, or something similar that uses transistors and sounds similar and puts out 12w. Mars a paoducts ltd rd.
¿does someone have the schematic for this amp?. Web schematics for marshall lead 20w amplifier schematic diagram, marshall amp schematics model 20w lead amp schematic diagram download free, marshall amp wiring Web i've just bought a second hand marshall el84 20/20 power stage and one of the channels does not work.
Web marshall 2022 t lead 20w schematic this is the 1 pages manual for marshall 2022 t lead 20w schematic. Ru zdi aae ate too geo azo z n tkputs ru au. And there might of course be mistakes.