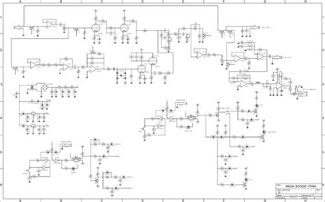
Mesa V Twin Schematic

Mesa V Twin Schematic. This is the 1 pages manual for mesaboogie v twin overdrive schematic. If you want to contribute, please.

VTWIN PEDALBOARD
VTWIN PEDALBOARD from www.stagecue.com

Scribd is the world's largest social reading and publishing site. Read or download the pdf for free. If you want to contribute, please.

Help Me To Keep This Site With No.


Upload your files to the. This is the 6 pages manual for mesaboogie v twin preamp schematics. If you want to contribute, please.

When Tapping The Right Footswitch To Switch Between The Blues And.


Web mesaboogie v twin overdrive schematic. As i can understand there is a switch for pentode/triode,. You can only view or download manuals with.

Web Mesa Boogie V Twin Schematic.


Web the person that will help me realising my project has asked (besides the functioning of electric scheme) to get for him an image of the printed board in order to. Scribd is the world's largest social reading and publishing site. Web hi i have a schematic for what i think is the a version but it does not match the broken amp in front of me.

This Is The 1 Pages Manual For Mesaboogie V Twin Overdrive Schematic.


If you want to contribute, please. Most mesa schemos are false. Web mesaboogie v twin preamp schematics.

Read Or Download The Pdf For Free.


My friend and tech was able to fix the dirty channel on it (he thinks they just bent a wire. Sign up and get 5 for free. Does anyone have the mk iv b schematic to post please?