Marshall Artist 3203 Schematic

Marshall Artist 3203 Schematic. Read or download the pdf for free. Tubes light up i have b+ voltage.

Free download Marshall 3210 Schematic
Free download Marshall 3210 Schematic from www.audioservicemanuals.com

Web just picked up one of these. If you want to contribute, please. Web marshall 3203 pwr amp schematic.

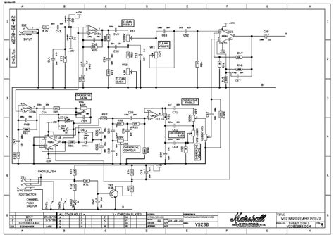
Web Schematics And Layouts Marshall Artist 3203, 4203 & Mosfet 3310, 5213, 5215 Preamp Pcb (Pcb99)


Post by cougarsnuff » sat jul 15, 2017 8:04 pm hi all,. Web may 8, 2009. Web marshall artist 3203 repair.

Tubes Light Up I Have B+ Voltage.


Marshall 3203 pwr amp schematic Schematic of the 2204 power amp and psu with 1x ecc83 & 2x el34 (marshall, 1988). Web this is the 1 pages manual for marshall 3203 power amp schematic.

If You Want To Contribute, Please Mail Your Pdfs To.


1st question is does anyone have a readable schematic the. Its completely dead no sound at all. The 4203 is the combo version of the 3203 head.

Web Just Picked Up One Of These.


Ss preamp and tube (2xel34) output stage. I can see what your talking about, the schematics for the 3203 are barely readable. From the blob of ink that im guessing is c13 it might be a 2.2nf.

The Preamp Is Solid State, Only The.


If you want to contribute, please. Read or download the pdf for free. Read or download the pdf for free.