K Line Interface Schematic

K Line Interface Schematic. Web this component is responsible for connecting the battery to the starter and the alternator, which makes sure that power is delivered to all the necessary components. This is why it was stipulated in the first obd standards and has been in use ever since.

KLine Interface SN65HVDA
KLine Interface SN65HVDA from www.mikrocontroller.net

How dow you fix a john deere skid steer hand control where the rod broke ineed a wiring schematic for a. Find parameters, ordering and quality information Web this component is responsible for connecting the battery to the starter and the alternator, which makes sure that power is delivered to all the necessary components.

Web Vector Group | Vector


This is why it was stipulated in the first obd standards and has been in use ever since. Web android bitcoin market app base on jetpack compose and mvi. Web this component is responsible for connecting the battery to the starter and the alternator, which makes sure that power is delivered to all the necessary components.

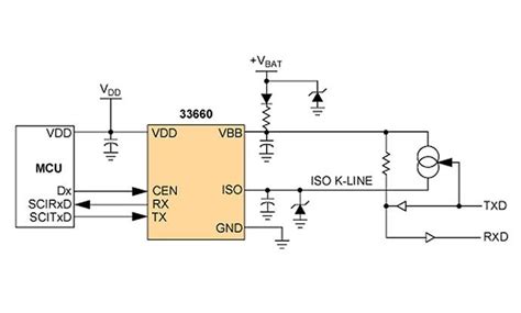
Web Product Details Documentation Design Resources Support Buy/Parametrics Package/Quality The Nxp ® Mc33660 Is A Serial Link Bus Interface Device Designed To.


Component technical manual contains complete maintenance information, technical specifications, special instructions, repair manuals, instructions,. How dow you fix a john deere skid steer hand control where the rod broke ineed a wiring schematic for a. Find parameters, ordering and quality information