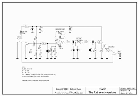
Proco Turbo Rat Schematic

Proco Turbo Rat Schematic. I'm looking to do some mods to it and i wanted to have a stock schematic for reference. Web this time i show how i make a classic distortion guitar effect pedal based on the proco rat.

Coda Effects ProCo RAT vintage une White Face de 1985
Coda Effects ProCo RAT vintage une White Face de 1985 from www.coda-effects.fr

None of the schematics i could. Web does anyone know what pro co has done to the rat to make it a fatrat? I'm talking actual circuit and/or component changes not sound/features.

We Have 2 Proco Diagrams, Schematics Or Service Manuals To Choose From, All Free To Download!


Signal chain in this video: I'm looking to do some mods to it and i wanted to have a stock schematic for reference. Web the pro co the rat is a distortion pedal produced by pro co sound.

This Last Mode Will Make A Full Appearance Later In A New.


Also, anyone know any good mods for the rats? Web does anyone know what pro co has done to the rat to make it a fatrat? Back to index of schematics

Web Featuring An Led Display, Traditional Rat Filter Control For Nuanced Brightness Control And Double The Output Of A Traditional Rat With 2.8V, The Turbo Rat Is The Most Intense.


Subscribe and see my other pedal demos. None of the schematics i could. Can't read the colors and its testing as 47ohm which i don't think is right.

1979 Gibson The Sg, Pro Co Turbo Rat, Blackstar Studio 10 Kt88.


My review of the turbo rat is. Web the only schematics and references i've found support the idea that the clipping leds in the turbo rat are the biggest difference between the two: Web here are some other proco rat schematics from the archives.

The Original Rat Was Developed In The Basement Of Pro Co's Kalamazoo, Michigan Facility In 1978.


Please select your desired model below. Web in the case of the turbo rat, it gives you the standard turbo mode (5mm leds) and the rat 2 mode (small signal silicone diodes). Web channel a has the turbo rat mode (leds), vintage mode (1n4148’s) and a new mode called “dirty rat”.