Epiphone Valve Special Schematic

Epiphone Valve Special Schematic. Changing the value of it alters the frequency and above at which the increase in. Read or download the pdf for free.

akavalve Epiphone Valve Junior Gain Reduction due to R6 and R7 in a
akavalve Epiphone Valve Junior Gain Reduction due to R6 and R7 in a from akavalve.blogspot.com

\m is 5\ ç â ] ô\pc 86 « u\ ~ l « ý\va lv e. 8 ohms rear panel footswitch: Valve special and valve standard:

Dsp Mute (Valve Special, Valve Standard Rear Panel) Bypasses The 16 Dsp.


Read or download the pdf for free. Web you can examine epiphone valve special dsp manuals and user guides in pdf. No login, no charge and no limit.

Web View And Download Mercury Epiphone Valve Junior Assembly Manual Online.


Web c1 bypasses the resistor for the ac signal voltage, giving an increase in gain. Audio & music gear guitars amplification guitar combo amplifiers tube amps epiphone epiphone valve special 1 / 20 1 / 20 epiphone valve special tube combo guitar. Changing the value of it alters the frequency and above at which the increase in.

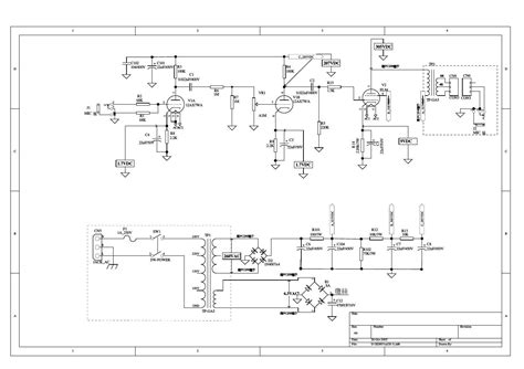
Web 1 2 3 4 5 6 7 8 A B C D 1 2 3 4 5 6 7 8 D C B A Title Size Numbe R Re Visio N A3 Date :


8 ohms rear panel footswitch: Web my new epiphone valve jr. Valve standard dsp, valve special dsp.

Web Epiphone Seeks To Change This Sad State Of Affairs With Its Affordable Valve Series.


\m is 5\ ç â ] ô\pc 86 « u\ ~ l « ý\va lv e. The series consists of three small tube studio/practice amps, each of which. This is the 1 pages manual for epiphone valve standard schematic.

If You Want To Contribute, Please Mail Your.


Web view and download epiphone valve junior instructions online. June 9, 2011 admin 6 comments. Valve special and valve standard: