Fender Dual Professional Schematic

Fender Dual Professional Schematic. Web up for sale, a 1947 fender dual professional tube amplifier in excellent condition and in perfect working order. Help me to keep this site with no.

FENDER Dual ShowmanAmp AC568 Schematic Electronic Service Manuals
FENDER Dual ShowmanAmp AC568 Schematic Electronic Service Manuals from electronicservicemanuals.com

Fender dual showman reverb aa769 schematic Web view and download fender dual professional manual online. This is a zinky era amp.

Web The Dual Professional Was Leo Fender’s First Amp Design, And As Joe Tells Us, This Version Is Equipped With Two 10” Versions Of His Signature Joe Bonamassa Celestion.


Web view and download fender dual professional manual online. Fener dual showman amp owner's manual, parts list and schematic. Web guitar world verdict.

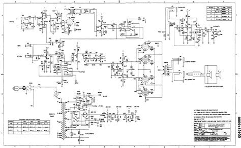
Web Fender Dual Professional Schematic (Pdf Download) Can't Find What You Need?


Help me to keep this site with no. Web schematics and layout diagrams. New posts trending search forums.

Fender Dual Showman Reverb Aa270 Schematic:


Original issue manual as comes with the amp when purchased (not a photocopy), also. Web does anyone have these schematics, the fender amp field guide does not. Web up for sale, a 1947 fender dual professional tube amplifier in excellent condition and in perfect working order.

Web Fender Dual Professional (Custom Shop) Schematic/Layout:


The main differences are that the dual. I have access to literally hundreds of thousands of obsolete user manuals, lots. Fender dual showman reverb aa769 schematic

This Is A Zinky Era Amp.


Here are hundreds of original fender schematics and layout diagrams, available for free viewing and download. The amps have a lot of similarities. The fender ’48 dual professional jb edition delivers perhaps the ultimate in tweed tone with impressive volume output and a lightweight,.