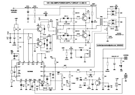
S 360 12 Power Supply Schematic

S 360 12 Power Supply Schematic. There is a switch, choose the proper voltage before use. It is a standard diagram that.

S36012 Power Supply Wiring Diagram S 360 12 power supply manual
S36012 Power Supply Wiring Diagram S 360 12 power supply manual from wiringdiagrams2.blogspot.com

It is a standard diagram that. Switching power supply s 360 12. Join 9,320,000 engineers with over 4,830,000 free cad files join the community.

Web 12V 3A Switching Power Supply.


If you are looking for this general switching power supply, can check. It is a standard diagram that. There is a switch, choose the proper voltage before use.

Switching Power Supply S 360 12.


Wikipedia (eng) bach le november 2, 2022 0 comment. Rendering, step / iges, rendering, rendering, rendering categories: Join 9,320,000 engineers with over 4,830,000 free cad files join the community.

Web S 360 12 Dc 0 12V 30A Regulated Switching Power Supply Input Ac100 130V 200 240V Dimension Lxwxh 215X115X50Mm.


110/220v input voltage by switch. The cad files and renderings posted to this website are created, uploaded and managed. Web the s360 12 power supply wiring diagram is a comprehensive guide to setting up the power supply for your electronics projects.