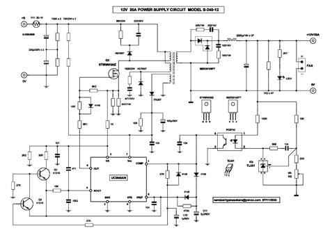
S 240 12 Power Supply Schematic

S 240 12 Power Supply Schematic. On the printed circuit board only the largest components are assembled, the. Please tick the box below to get download.

Fesete Smps S24012 Power Supply 12v/20A Silver price from souq in
Fesete Smps S24012 Power Supply 12v/20A Silver price from souq in from yaoota.com

Web it is a noname switching power supply as it is used in many cheap chinese 3d printers and led chains. Electronic components datasheet search english The input is 110v~ or.

Please Tick The Box Below To Get Download.


On the printed circuit board only the largest components are assembled, the. Electronic components datasheet search english It's a halfbridge topology with two npn transistors.

On The Printed Circuit Board Only The.


Web it is a noname switching power supply as it is used in many cheap chinese 3d printers and led chains. The input is 110v~ or. Web 240w single output switching power supply astrodyne corporation:

Web It Is A Noname Switching Power Supply As It Is Used In Many Cheap Chinese 3D Printers And Led Chains.


Web it is a noname switching power supply as it is used in many cheap chinese 3d printers and led chains. 240w single output switching power supply mean well enterprises c. Check out our wide range.

On The Printed Circuit Board Only The.