Rs232 To Rs422 Converter Schematic

Rs232 To Rs422 Converter Schematic. Web high quality rs232 to rs422 converter / rs422 to rs232 adapter which includes two terminal blocks with free shipping and a 5 year replacement warranty Find out their advantages and disadvantages.

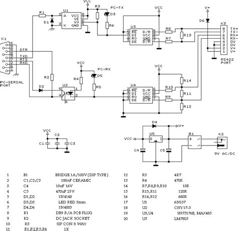
RS422 to RS232 transceiver for GPS Receiver KO4BB
RS422 to RS232 transceiver for GPS Receiver KO4BB from www.ko4bb.com

Cable termination techniques, use of multiple loads,. Web high quality rs232 to rs422 converter / rs422 to rs232 adapter which includes two terminal blocks with free shipping and a 5 year replacement warranty 1 3/4” x 1” line powered or dc adapter powered high.

Find Out Their Advantages And Disadvantages.


It is a simple converter which is. Web high quality rs232 to rs422 converter / rs422 to rs232 adapter which includes two terminal blocks with free shipping and a 5 year replacement warranty 1 3/4” x 1” line powered or dc adapter powered high.

Cable Termination Techniques, Use Of Multiple Loads,.


Web learn how to implement rs232, rs485, and rs422 converters and isolators in your hardware design.