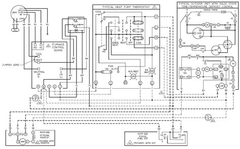
Rheem Air Handler Schematic

Rheem Air Handler Schematic. Web the rheem rhll air handler wiring diagram is an important document for any homeowner or contractor who needs to install, maintain, and troubleshoot this air handler. Web return air opening 2111/16 [551 mm] 105/16 [262 mm] supply air unit dimensions 515/16 [151 mm] 41/8 [105 mm] 31/16 [76 mm] 13/16 [48 mm] 11/ 8 [29 mm] 11/16 [27 mm] 13/8 [35 mm] 213/16 [71 mm] 51/4connection [133 mm] 53/8 [136 mm] model cabinet size return air opening width (inches) return air opening depth/length (inches) 17.

air handler wiring schematic
air handler wiring schematic from groover.sch.bme.hu

Rbhp series multiposition air handler. Web rheem air handler wiring schematic. Rheem air handler customer brochures:

It Is The Most Important Part Of The Installation Process, Because It Allows You To Connect The Air Handler To The Existing Power Source And Safely Operate It.


24v ac 1st stage or fan only a.f. It reveals the parts of the circuit as simplified shapes, and the power and signal links between the devices. User manuals, rheem air handlers operating guides and service manuals.

Rheem Air Handler Customer Brochures:


Rj 14 com tap comm. Rheem and ruud thermostats are particularly popular. Web rheem air handlers work with forced air heating and cooling equipment to circulate conditioned air throughout the home or office.

It Provides A Visual Representation Of All The Components Involved In The Wiring Process And Helps To Ensure That Everything Is Connected Properly.


Web browse rheem's entire line of residential air handlers to complete your rheem hvac system. Pressure transducer 2nd stage a.f. The following rheem air handler manuals are available for download.

Web Assortment Of Rheem Air Handler Wiring Schematic.


Web the rheem rhll air handler wiring diagram is an important document for any homeowner or contractor who needs to install, maintain, and troubleshoot this air handler. Web rheem air handler wiring schematic. Web a rheem heat pump air handler wiring diagram is essentially a visual representation of how the air handler components fit together.

A Wiring Diagram Is A Streamlined Standard Photographic Depiction Of An Electrical Circuit.


Rbhp series multiposition air handler. Web return air opening 2111/16 [551 mm] 105/16 [262 mm] supply air unit dimensions 515/16 [151 mm] 41/8 [105 mm] 31/16 [76 mm] 13/16 [48 mm] 11/ 8 [29 mm] 11/16 [27 mm] 13/8 [35 mm] 213/16 [71 mm] 51/4connection [133 mm] 53/8 [136 mm] model cabinet size return air opening width (inches) return air opening depth/length (inches) 17. Browse, select, and install your new high efficiency air handler today with rheem.