Programmable Power Supply Schematic

Programmable Power Supply Schematic. It can be used for diy home projects or to learn. If the ultraviolet lamp is powered by this power supply, the output voltage and.

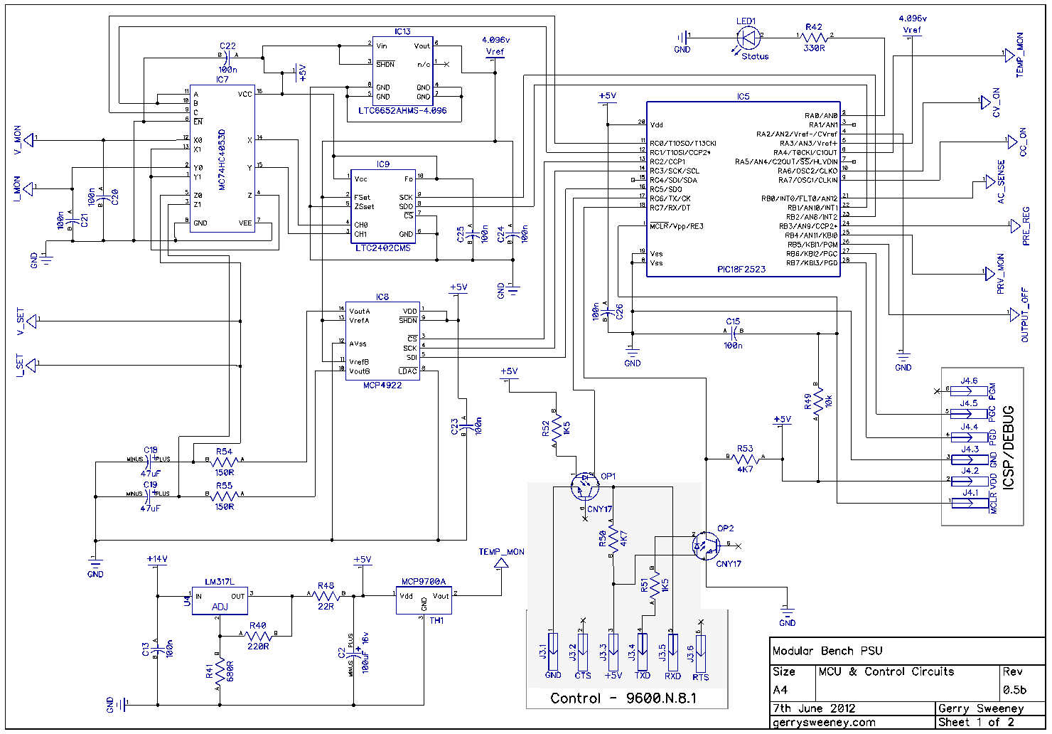
Fully Programmable Modular Bench Power Supply Part 9
Fully Programmable Modular Bench Power Supply Part 9 from gerrysweeney.com

The schematic diagram contains 3 main parts: My new project was inspired by programmable power supply, module ruideng. Web this paper reports the development of an electronic system used to analyze batteries.

If The Ultraviolet Lamp Is Powered By This Power Supply, The Output Voltage And.


This is adjustable elctronic fuse that can be used to protect power supplies from short circuits or can be also used to limit the current usage. The schematic diagram contains 3 main parts: Web here, a programmable power supply based on dsp is designed to solve this problem.

Web Circuit Diagram Of The Programmable Power Supply Is Shown In Fig.


Web +14.5v battery charger in this article, we will look at the individual components of a psu, then design a small 12v supply from scratch, and an adjustable. Programmable & high voltage 405 essex road, neptune, nj 07753. Web programmable dc power supplies document:

Figure 1 Shows The Schematic Diagram Of The Switching Power Supply (Dc To Dc Buck Converter).


My new project was inspired by programmable power supply, module ruideng. It can be used for diy home projects or to learn. The mains power supply is applied to transformer x1, which is stepped down to 18v ac, 2a.

Web This Verified Design Provides The Theory, Component Selection, Simulation, Pcb Design, And Measurement Details For A Spi Controlled 36V Power Supply Capable Of Sourcing 1A.


Web programmable power supply 42v 6a: Web this paper reports the development of an electronic system used to analyze batteries. Web pcb design and schematic ¶.

It Is Fantastic, Very Powerful, Precise And For Reasonable Price.