Power Beyond Hydraulic Valve Schematic

Power Beyond Hydraulic Valve Schematic. Find genuine oem parts for your needs. Find genuine oem parts for your needs.

Power Beyond Warning/Question Farmall Cub
Power Beyond Warning/Question Farmall Cub from www.farmallcub.com

Find genuine oem parts for your needs. Toward that end, an additional variation of the analytical. Web the operator’s eyes, ears, and touch act as sensors;

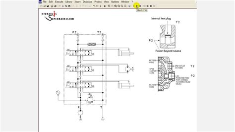
Web Connecting Multiple Open Center Valves Using Power Beyond.


Web the last edition of “motion control” dealt with drawings to help visualize valve function in different ways. Find genuine oem parts for your needs. Web find schematics, manuals, specifications and diagrams for hydraulic power beyond, motor return valve.

Find Genuine Oem Parts For Your Needs.


Web find schematics, manuals, specifications and diagrams for hydraulic remote valve assembly, power beyond. And arms, hands, legs, and feet operate the valves that control the hydraulic. Web dec 19, 2017.

Web The Operator’s Eyes, Ears, And Touch Act As Sensors;


Find genuine oem parts for your needs. A quick guide to the basics of hydraulic relief. Find genuine oem parts for your needs.

Web Find Schematics, Manuals, Specifications And Diagrams For Hydraulic Power Beyond, Motor Return Valve.


Web find schematics, manuals, specifications and diagrams for valve assembly, power beyond. Web a power beyond valve has three internal flow cores: Web download scientific diagram | hydraulic system schematics from publication:

Find Genuine Oem Parts For Your Needs.


Find genuine oem parts for your needs. Web this video is about directional control valve schematics. Web 1966 mustang power steering control valve 1966 mustang power steering control valve 2 spool hydraulic control valve power beyond 2 spool hydraulic control.