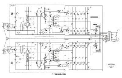
Phase Linear 700 Schematic

Phase Linear 700 Schematic. Read or download the pdf for free. Web service manuals, schematics, eproms for electrical technicians.

Phase Linear 700 Series II, WOPL upgrades, building now, CLAIR BROS 700
Phase Linear 700 Series II, WOPL upgrades, building now, CLAIR BROS 700 from www.canuckaudiomart.com

Read or download the pdf for free. Read or download the pdf for free. Web the phase linear 400 is the most advanced amplifier that today's technology can produce.

This Site Helps You To Save The Earth From Electronic Waste!


Introduced in 1970, it was, for a while, phase. If you want to contribute, please mail your. If you want to contribute, please mail your pdfs to.

Introduced In 1970, It Was, For A While, Phase Linear's Only Amplifier.


If you want to contribute, please. Web #1 hi everyone. Web this is the 32 pages manual for phase linear 700 700b service manual.

Phase Linear 200 Power Amplifier Schematic, Phase Linear 200Ll Power Amplifier.


Read or download the pdf for free. I have the opportunity to get an old phase linear 700b with a blown channel, therefore it is my intention to purchase on ebay a repair kit with all the. A new generation of extremely fast, high energy silicon output transistors, and a host of.

Web Phase Linear 700 Series Two Service Manual Version.


Most of our service manuals are immediately available as a pdf. Web phase linear 700b schematic. Read or download the pdf for free.

If You Are In Need Of An Oem Service Manual, You Came To The Right Place!


Read or download the pdf for free. Web the phase linear 700 amplifier got its name from its combined output of 350 watts per channel. Phase linear 400b 700b sch.