Peterbilt 567 Wiring Schematic

Peterbilt 567 Wiring Schematic. Main fuse panel diagrams and lighting circuits. Web i would have a dealer check the wiring harness from the chassis node to the front fuse box.

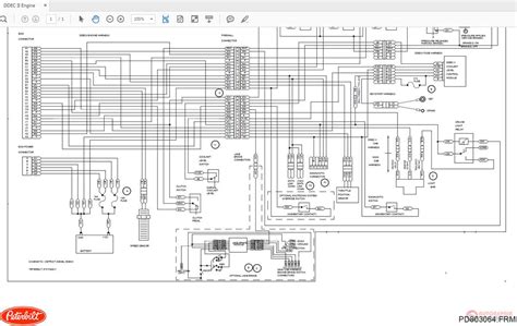
Peterbilt Wiring Diagram [PDF Document]
Peterbilt Wiring Diagram [PDF Document] from vdocuments.mx

Web loyd morris (friday, 12 august 2022. I have only 2.5v at the 12v prong on. Web 2020 peterbilt 567 electrical wiring diagram manual.

Web I Need Wiring Schematic For 2015 Peterbilt 579.


2021 model 567 operators manual. I have only 2.5v at the 12v prong on. Read and follow all of the safety alerts contained in this manual.

I Started Blowing Fuses And Finally Had Lights Go Out With Fuses Not Blowing.


Web 2021 model 567 operator's manual. Web peterbilt motors company reserves the right to make changes at any time without notice. Is there any good source for wiring schematics.

Web Need Wiring Schematics For 1992 Peterbilt Model 378.


Web peterbilt truck pdf service manuals free download, electric wiring diagrams & fault codes dtc; Operator's manual peterbilt 567 operator's manual (414 pages) Web this section includes drawings and charts of the following peterbilt models:

Web Need Wiring Schematics For 1992 Peterbilt Model 378.


Web peterbilt motors company reserves the right to make changes at any. Web i would have a dealer check the wiring harness from the chassis node to the front fuse box. Web loyd morris (friday, 12 august 2022.

Web Peterbilt 210/220/270/320/325/330/365/387/520/535/536/537/547/567/587 Owner’s, Operators, Service And Maintenance Manuals, Error Codes List, Dtc, Spare Parts Manuals.


Web 2020 peterbilt 567 electrical wiring diagram manual. We have 1 peterbilt 567 manual available for free pdf download: Vin# ***** i am trying to find a wiring problem with connecting with insite.