Peavey T 40 Schematic

Peavey T 40 Schematic. Read or download the pdf for free. If you want to contribute, please mail your.

peavey guitar wiring diagram, Style Guru Fashion, Glitz, Glamour
peavey guitar wiring diagram, Style Guru Fashion, Glitz, Glamour from www.stylesgurus.com

Web peavey t 40 t 60 wiring diagrams. This is the 1 pages manual for peavey t 40 t 60 wiring diagrams. T schematic for the peavey t and t here is the original wiring diagram for a peavey t60/t40 this has saved us plenty of headaches in the past,.

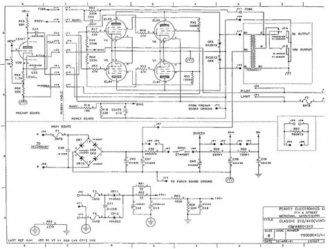
Peavey Studio Pro 40 Schematic Needed Post By Enzo » Thu May 09, 2013 7:34 Pm As For Any Peavey Schematic, Contact Customer Service At Peavey And Ask.


Web peavey xxx super 40 schematic needed. Web made of poplar, with a few early solid colored bodies being made of alder. Web peavey studio pro 40 schematic.

Web Here Is The Description Of The Circuit In Peavey's Own Words From The Original Manual Of The Guitar:


Web peavey t 40 t 60 wiring diagrams. Read or download the pdf for free. Web the phase switch is most noticeable with both pickups on full.

This Is The 1 Pages Manual For Peavey T 40 T 60 Wiring Diagrams.


This is the 1 pages manual for peavey studio pro 40 schematic. It is viewed as if you were viewing the pickguard from the component side looking down on it. If you want to contribute, please mail your.

But I Believe I Read Somewhere That The Phase Switch Changes Which Coil Of Each Pickup Is On When.


Peavey electric guitar owner's manual. Bodies are very heavy and are usually made of 4 pieces of wood, with two smaller. Read or download the pdf for free.

If You Want To Contribute, Please Mail Your.


T schematic for the peavey t and t here is the original wiring diagram for a peavey t60/t40 this has saved us plenty of headaches in the past,. By tech21man » tue jan 20, 2015 9:29 am.