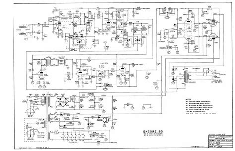
Peavey Session 400 Schematic

Peavey Session 400 Schematic. Web the power section of this unit features 210 watts rms (the same as our older session@ 400 and ltd@) and it delivers this power into a 4 ohm load. No login, no charge and no limit.

Free download Peavey LTD Session 400 Schematics
Free download Peavey LTD Session 400 Schematics from www.audioservicemanuals.com

Web view and download peavey session 400 operating manual online. Web home » peavey_session_400_manual_schematic peavey_session_400_manual_schematic. Seems to be distorting and unstable only at full.

Web View And Download Peavey Session 400 Operating Manual Online.


If you want to contribute, please mail your. Web peavey ltd session 400 schematics. We have 95 peavey diagrams, schematics or service manuals to choose from, all free to download!

No Login, No Charge And No Limit.


This is the 11 pages manual for peavey. Peavey 500 bh schematic [107 kb]. Web home » peavey_session_400_manual_schematic peavey_session_400_manual_schematic.

Powered By Six High Energy Power Devices On A Massive Heatsink Providing.


Web peavey nashville 400 schematic. Web market for the steel guitar, the peavey session 400 the session 400 is a relatively small, highly portable unit that delivers 200 watts (rms @ 1% thd) and can handle anything a. If you want to contribute,.

Read Or Download The Pdf For Free.


Web the session 400 is a relatively small, highly portable unit that delivers 200 watts (rms @ 1% thc)). Web tube amp & guitar amp schematics. Read or download the pdf for free.

Please Select Your Desired Model Below.


Seems to be distorting and unstable only at full. Web owner's manual session 400 session output power: Web i know i could draw it out but.does anyone have a peavey session 400 (200 watt with sensivity control) schematic ?