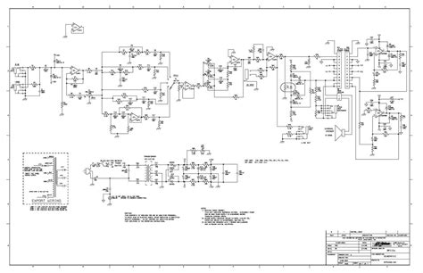
Peavey Audition 110 Schematic

Peavey Audition 110 Schematic. Audition audition 110 amplifier pdf manual download. Web peavey transtube special 212 orig 1995 schematic.

PEAVEY MINX110 Service Manual download, schematics, eeprom, repair
PEAVEY MINX110 Service Manual download, schematics, eeprom, repair from www.pinterest.com

Topics manualsbase, manuals, collection manuals_contributions; Web electronics service manual exchange : Web we have 95 peavey diagrams, schematics or service manuals to choose from, all free to download!

Web 27 Rows Peavey Audition 110 :


15 pgs 3.23 mb 0. Web the new audition is the smallest peavey amp presently available, but offers performance and features that utilize the latest in technology and electronic components. Peavey audition 110 operating manual.

Web View And Download Peavey Audition 110 Operating Manual Online.


16 pgs 1.34 mb 0. I just bought an audition 110 transtube amp circa 1996. Topics manualsbase, manuals, collection manuals_contributions;

Peavey 500 Bh Schematic [107 Kb] Peavey 500Bh Schematic [106 Kb].


Web happy new year to all. If you want to contribute, please mail your pdfs to. If you want to contribute, please mail your.

Read Or Download The Pdf For Free.


Read or download the pdf for free. This is the 2 pages manual for peavey audition plus schematic. Web peavey audition plus schematic.

Web Electronics Service Manual Exchange :


Web peavey audition audition 110: Audition audition 110 amplifier pdf manual download. Audition 110 amplifier pdf manual download.