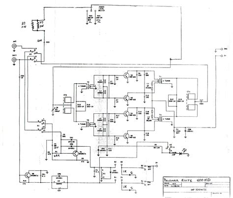
Palomar Elite 250 Schematic

Palomar Elite 250 Schematic. Web 0:00 / 12:18 palomar elite 600 ab1 1x4 amplifier repair & mods gatekeeperamps 7.74k subscribers subscribe 46 share 3.6k views 8 years ago here is a palomar elite 600. Web electronics service manual exchange :

www.cbradio.nl Pictures and Specifications Palomar Elite 250 Mobile
www.cbradio.nl Pictures and Specifications Palomar Elite 250 Mobile from www.cbradio.nl

Switches, 3 led's, and a big. Web #1 hello, i just purchased a new palomar elite 250 amp and thought it was suppose to have the sd1446 transistors in it but mine has the 2sc2290 transistors. Web electronics service manual exchange :

What Is The Most Likely Cause ?


It has been like this from the time i got it brand new. Web #1 maybe someone can tell me something about it. Web 0:00 / 12:18 palomar elite 600 ab1 1x4 amplifier repair & mods gatekeeperamps 7.74k subscribers subscribe 46 share 3.6k views 8 years ago here is a palomar elite 600.

Also, Where Can I Get A Schematic ?


Mackie profx16 usb codec schematic. Mackie profx16 usb codec schematic. I know this is one that was manufactured by someone else than palomar.

However I Did Find It Uses The Original.


Web #1 hello, i just purchased a new palomar elite 250 amp and thought it was suppose to have the sd1446 transistors in it but mine has the 2sc2290 transistors. Web electronics service manual exchange : Web i'm looking for schematics for a palomar elite 400, or rather the.

Web About Press Copyright Contact Us Creators Advertise Developers Terms Privacy Policy & Safety How Youtube Works Test New Features Nfl Sunday Ticket Press Copyright.


Web electronics service manual exchange : Other amps that are using the palomar name : Web i just acquired a palomar elite 250 amp.

Switches, 3 Led's, And A Big.


Palomar amp which is all black, with the heatsink on the bottom, 3. Red devll 250r (also covers commander.