Palmer Pdi 03 Schematic

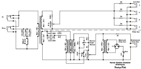
Palmer Pdi 03 Schematic. Web palmer pdi 03 download instruction manual pdf. Dummy load is just three 22ohm resistors paralleled wired in series with a 100uh air core inductor.

PDI03 Palmer PDI03 Audiofanzine
PDI03 Palmer PDI03 Audiofanzine from fr.m.audiofanzine.com

User manual palmer pdi03 user manual (39 pages) Web view and download palmer pdi05 user manual online. Web what are you doing now?

Web What Are You Doing Now?


Owner's manual palmer pdi03 jb owner's manual (32. Never use the palmer pdi 03 jb without a speaker or suitable load. Dummy load is just three 22ohm resistors paralleled wired in series with a 100uh air core inductor.

Web Palmer Pdi 03 Download Instruction Manual Pdf.


Web view and download palmer pdi05 user manual online. User manual palmer pdi03 user manual (39 pages) Web there is a schematic on sloclone, somebody traced it.

It Is A Single Space Rackmount Unit.


We have 1 palmer pdi03 jb manual available for free pdf download: Today many palmer products are based on the transformers which we produce. Basically it's a speaker simulator.

The Di'd Sound From The Palmer Compares.


Pdi05 recording equipment pdf manual download. Web by the bench. Run your amp head into it and you can.

I Am In Charge Of The Palmer Products Division Of Adam Hall Gmbh.


Web manuals and user guides for palmer pdi03. We have 1 palmer pdi03 manual available for free pdf download: Web view online or download pdf (2 mb) palmer pdi03 owner's manual • pdi03 soundbar speakers pdf manual download and more palmer online manuals