Orange Micro Terror Schematic Pdf

Orange Micro Terror Schematic Pdf. Not a pedal but close enough! Graphic mkii, orange 120 graphic mk ii schematic, orange ad15, orange ad15 mainboard amplifier schematic, orange ad30, orange ad30 mainboard.

ORANGE TINY TERROR Service Manual download, schematics, eeprom, repair
ORANGE TINY TERROR Service Manual download, schematics, eeprom, repair from elektrotanya.com

This orange product conforms to ul 60065:2001 (seventh edition) + a1:2005 + a2:2010 for audio, video and similar. Web i drew the schematic for the orange micro terror amp. Not a pedal but close.

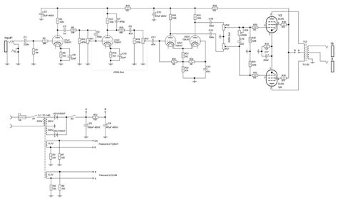
Schematics For Orange Terror Series.


Micro terror contact details orange; Not a pedal but close enough! Not a pedal but close.

I Recently Reverse Engineered My Orange Micro Terror Amp.


Graphic mkii, orange 120 graphic mk ii schematic, orange ad15, orange ad15 mainboard amplifier schematic, orange ad30, orange ad30 mainboard. Web orange terror series guitar amplifiers schematics this is a recopilation of the schematics for orange terror series guitar amplifiers, currently including: Web the micro terror is a global phenomenon.

Owner's Manual, Quick Start Manual Orange Micro Terror Owner's Manual (9 Pages) Brand:.


Web orange_terror_schematics/orange tiny terror.pdf at main · d3vcr0w/orange_terror_schematics · github. Web we have 2 orange micro terror manuals available for free pdf download: Web [question] sharing the orange μterror schematic hi!

I Drew The Circuit In Kicad And I'm Like 90% Sure It's Totally.


Equally need to learn are the skills appropriate to create. I drew the schematic for the orange micro terror amp. Taking its inspiration from the original tiny terror, this miniature monster couples a valve preamp to a solid state output section for.

Web I Drew The Schematic For The Orange Micro Terror Amp.


Web if you are unsure, contact your orange dealer. This orange product conforms to ul 60065:2001 (seventh edition) + a1:2005 + a2:2010 for audio, video and similar. Web a nice comprehension of how a wiring system works is useful lore when you have wiring installation project.