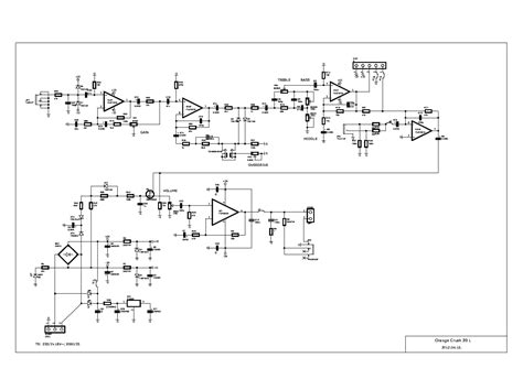
Orange Crush 20 Schematic

Orange Crush 20 Schematic. Crush 12 musical instrument amplifier pdf manual download. Web view and download orange crush 12 manual online.

ORANGE CRUSH 20L GUITAR AMP SCH Service Manual download, schematics
ORANGE CRUSH 20L GUITAR AMP SCH Service Manual download, schematics from elektrotanya.com

Thiago darós fernandes this document was uploaded by user and. Ive been unable to google one. Web hello, recently my orange crush 10 broke down.

Web View And Download Orange Crush 12 Manual Online.


Kamu bisa menemukan toko penjual orange crush 20 terdekat dari lokasi. Web i would like to build an orange crush 35rt clone. Check our resource library for schematics & service manuals.

Web Crush Pix 20L Contact Details Orange Amplification Omec House 108 Ripon Way Borehamwood Hertfordshire Wd6 2Ja England Tel:


Help me to keep this site with no boring ads! Thiago darós fernandes this document was uploaded by user and. Crush 20rt musical instrument amplifier pdf manual download.

Web Beli Aneka Produk Orange Crush 20 Online Terlengkap Dengan Mudah, Cepat & Aman Di Tokopedia.


Web hello, recently my orange crush 10 broke down. Web orange crush 20l guitar amp schematic uploaded by: Web the orange crush pix cr20ldx amplifier has the legendary orange basket weave tolex, woven speaker grille, beading and legendary hieroglyphs (pix) and of course the.

Thank You For Choosing Orange.


Web crush pix 20ldx thank you! Web download orange crush 20l guitar amp schematic type: Thiago darós fernandes december 2019 pdf bookmark download this document was uploaded by user and.

In 35Rt, 'R' Stands For Reverb And 'T' For Tuner And I Don't Care Much For Those Features, So Let's Say I.


+44 20 8905 2828 fax: Web 1 nov 13, 2017 #1 hi new here, but is there any kind soul that can help me out with a schematic for the orange crush cr120h ? Web shop our selection of orange™ crush 20 parts & components.