Mesa Boogie Maverick Schematic

Mesa Boogie Maverick Schematic. Ih4007 rect select 3 sou— rhy —ld no 1 sk. Web view and download mesa/boogie dual rectifier maverick amp operating instructions manual online.

Maverick Failure! Schematic readers greatly appreciated The Boogie Board
Maverick Failure! Schematic readers greatly appreciated The Boogie Board from forum.grailtone.com

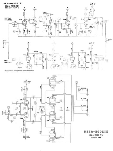
When replacing fuse, use only same type and rating. Web mesa boogie maverick schematic any1?. 4 pgs 446.94 kb 2.

4 Pgs 151.37 Kb 0.


I've seen it described as mesa's take on a vox/matchless,. Dual rectifier maverick amp musical instrument amplifier pdf manual. Web the following diagram is mesa boogie dual rectifier solo head schematic diagram.

Mesa Boogie Maverick Schematic Any1?


Web user manuals for current and out of production products. Help me to keep this site with. Web view and download mesa boogie sob instruction manual online.

1 Pgs 200.77 Kb 0.


Web front view maverick rear view maverick return send ground a off b fx mix 0% 100% slave 8 ohm 4 ohm 4 ohm speakers fat lead bright rhythm rhythm voice chan. Web tube amp & guitar amp schematics. 21 pgs 601.45 kb 0.

4 Pgs 446.94 Kb 2.


Web view and download mesa boogie mark 1 instruction manual online. Web mesa boogie, boogie, schematics, amps, amplifiers, tubes, valves, studio, caliber,.22 caliber,.50 caliber, stereo, bass, blue angel, dual caliber, dual rectifier, heart. Web always insure that amplifier is properly grounded.

Web Mesa Boogie Maverick Schematic Any1?.


Web the following diagram is mesa boogie dual rectifier solo head schematic diagram. 5 pgs 192.76 kb 1. 6 pgs 359.52 kb 0.