Marshall Studio Vintage Schematic

Marshall Studio Vintage Schematic. Studio classic sc20h amplifier pdf manual download. Web this listing is for a full board set from a brand new 2021 marshall studio vintage sv20h tube amp.

Marshall 1987 mixing resistors/voltage divider question The Gear Page
Marshall 1987 mixing resistors/voltage divider question The Gear Page from www.thegearpage.net

Web those schematics are intellectual property and there's no reason for marshall to make them public, outside of providing them to authorized repair depots. Web this listing is for a full board set from a brand new 2021 marshall studio vintage sv20h tube amp. Web hi all, i'm sure this has been asked before but, has anyone taken a look at the marshall studio vintage or classic amp power transformers (or done work on.

Web This Listing Is For A Full Board Set From A Brand New 2021 Marshall Studio Vintage Sv20H Tube Amp.


Web user manual english congratulations on purchasing your marshall studio vintage amp. Please make a donation if you have them. User manual, quick start manual marshall amplification studio.

I Will Also Include A Hookup Diagram Plus A Schematic Of The Main Portions Of The.


Web those schematics are intellectual property and there's no reason for marshall to make them public, outside of providing them to authorized repair depots. Studio vintage sv20h amplifier pdf manual download. The sv20h amp is basically a modernized hybrid of a 1968 super lead in 20.

Web Learn How To Safely Set Up Your Marshall Studio Classic Sc20H And Sc20C Amps With This User Guide.


We’ve shrunk down some of our most famous amps so you can enjoy the iconic marshall sounds at home or in the studio. Web hi i just got a marshall sv20 nice amp for now the schematic is basically a super lead with the exception of 820 ohm instead of 2.7k on the bright channel cathode. Web hi all, i'm sure this has been asked before but, has anyone taken a look at the marshall studio vintage or classic amp power transformers (or done work on.

Studio Classic Sc20H Amplifier Pdf Manual Download.


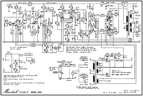
Web marshall 4001 (studio 15) june 9, 2011 november 30, 2017 admin 0 comments. The speaker is a 12″ celestion gold back 16ω speaker. Web home » marshall » marshall studio vintage sv20h and sv20c user guide marshall studio vintage sv20h and sv20c contents 1 warning!

Web Jcm2000 Dsl201 Double Super Lead, 20W 1×12″ Combo.


Web marshall heaven schematics shown in blue are missing from the archive. The dsl201 amps use 4x ecc83 and 2x el84 tubes. I will also include a hookup diagram plus a schematic of the main portions of.