Lutron Dimmer Switch Schematic

Lutron Dimmer Switch Schematic. • connect the remaining red dimmer wire to the remaining wire removed from the switch. Web the product number is on a label on the side of the dimmer or switch.* if you’ve already installed the dimmer/switch, turn off the electricity and then remove the wallplate.

Lutron Maestro Led Dimmer Wiring Diagram Ecoist
Lutron Maestro Led Dimmer Wiring Diagram Ecoist from ecoist98.blogspot.com

Normally i say mark the pair. Web wiring a lutron dimmer switch can be a bit of a challenge, so it's important to understand the wiring diagram before attempting the job. Preset dimmer with locator light:

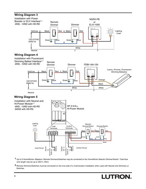
Web The First Thing That Must Be Done Is To Turn Off The Primary Source Of Power, Which Is Then Followed By Wiring The Dimmer Switch And, Lastly, Troubleshooting.


Clicking on the model number will take you to the support. Web the product number is on a label on the side of the dimmer or switch.* if you’ve already installed the dimmer/switch, turn off the electricity and then remove the wallplate. Web below is the list of all the led+ dimmers with overview specifications and the different model numbers for each style.

Web Wiring A Lutron Dimmer Switch Can Be A Bit Of A Challenge, So It's Important To Understand The Wiring Diagram Before Attempting The Job.


• connect the remaining red dimmer wire to the remaining wire removed from the switch. In this article, we'll explain how. Unscrew and remove the wallplate adapter, then unscrew the dimmer/switch.

Web Wiring Diagram Sheets Detail:


With a wide array of styles, colors and control options we can complement any décor and provide functionality. Web if you’ve already installed the dimmer/switch, turn off the electricity and then remove the wallplate. Preset dimmer with locator light:

Web Wires Removed From The Switch.


Normally i say mark the pair. Web wiring diagrams search the lutron archive of wiring diagrams.