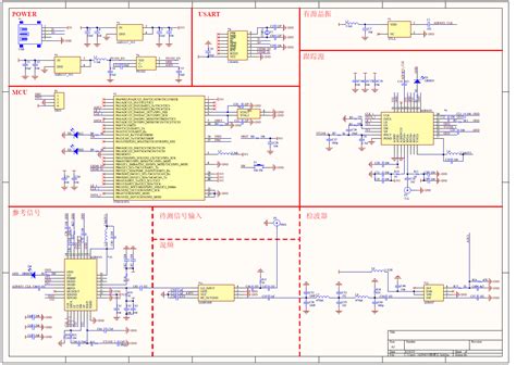
Ltdz 35-4400M Schematic

Ltdz 35-4400M Schematic. Web the ltdz spectrum analyser on the bench today covers 35 mhz to 4.4 ghz, and has a usb interface and tracking source. Made of fine quality material, has a long.

Geekcreit® Spectrum Analyzer USB LTDZ_354400M_Spectrum Fuente de señal
Geekcreit® Spectrum Analyzer USB LTDZ_354400M_Spectrum Fuente de señal from www.pinterest.com

Web it is an analyzer that can be found for less than 40 € (with a casing) or around 30 € without a casing. It is an rf frequency domain. Small and portable, high accuracy.

Made Of Fine Quality Material, Has A Long.


Web it is an analyzer that can be found for less than 40 € (with a casing) or around 30 € without a casing. Small and portable, high accuracy. The module is made of fine quality.

All Aluminum Alloy Shell + Rotary Encoder.


Web the ltdz spectrum analyser on the bench today covers 35 mhz to 4.4 ghz, and has a usb interface and tracking source. Web made of fine quality material, practical, easy to install and use, wide application range, has a long service life. The schematic is identical to the original d6, so with the same.

Oktober 2019 Automatic Translation By Google:.


It is an rf frequency domain. Made of fine quality material, has a long service life. Hello, this post is dedicated to domenico, who has been working hard on improving the performance of the.

Web February 04, 2021 Ltdz Devices: