Logitech X 540 Schematic

Logitech X 540 Schematic. If you still have questions browse the topics on the left. Check our logitech warranty here.

Logitech X540 User's Manual Page 3 Free PDF Download (28 Pages)
Logitech X540 User's Manual Page 3 Free PDF Download (28 Pages) from www.manualagent.com

This manual comes under the category speakers and has been rated by 14 people with an average of a 8.8. This diagram is used to connect a set of speakers to a receiver or amplifier, allowing for the high. Understanding basic electrical wiring diagrams is important for any diy electronics enthusiast.

If You Still Have Questions Browse The Topics.


45 watts rms (2 x 7.4w front, 15.4w center, 2 x 7.4w rear) • speaker dimensions (h x w x d): Web may 3, 2009. Check our logitech warranty here.

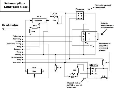
Web Logitech X 540 Wiring Diagram Is An Essential Component In Any Audio Setup.


Web logitech support business support home support home downloads & apps spare parts myharmony support ultimate ears support compliance certificates Web electronics service manual exchange : Understanding basic electrical wiring diagrams is important for any diy electronics enthusiast.

Oman Turvallisuutesi Vuoksi Tee Asennus Täysin Valmiiksi Ennen Kuin Kytket.


Web there are no gallery images available for this product. Web all you need to know about logitech x 540 wiring diagrams. This manual comes under the category speakers and has been rated by 14 people with an average of a 8.8.

This Diagram Is Used To Connect A Set Of Speakers To A Receiver Or Amplifier, Allowing For The High.


It turned out to be a bad transformer using a multimeter check the blue wires from the secondary side of the. 0.69 mb table of contents important safety information 2 specifications 8 limited warranty 9. Setup, setup and installation manual,.

If You Still Have Questions Browse The Topics On The Left.


Web electronics service manual exchange :