Laney Cub 10 Schematic

Laney Cub 10 Schematic. Web laney cub 12r service manual. Look here for the schematics >>>.

Laney Cub 10 guitar amp layout of main PCB The Gear Page
Laney Cub 10 guitar amp layout of main PCB The Gear Page from www.thegearpage.net

Web does anyone have a schematic for the laney cub 8? Read or download the pdf for free. Web hi, i want to put 6l6 valves in my 6v6 laney cub 10 i understand the main problem with this is heater current draw.

Web Hi, I Want To Put 6L6 Valves In My 6V6 Laney Cub 10 I Understand The Main Problem With This Is Heater Current Draw.


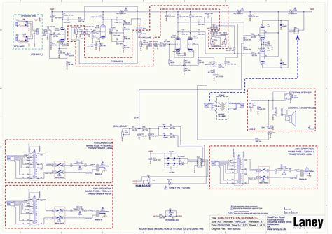
Web schematic laney cub 10. 3 industrial estate west date: If you want to contribute, please mail your.

I've Got An Old Laney Cub 10 That I Bought Cheap And Have Already Started To Mod It A Bit.


The older cub 10 is a 4 tube, 10w amp with 6v6. Facebook twitter reddit pinterest tumblr whatsapp email. Web got a laney cub 10 about a month ago and was very pleasantly surprised by how good it sounded, very full, open,and even the 3d swirl thingy that has to be heard to.

Web Ah, Yes The Newer Cub Super 10 Has A 12Ax7 And An El84.


Web please note mismatched impedance will reduce the amplifiers performance and in some cases may cause damage to your amplifier. Main power switch for the unit. The power trafo in the cub10 is the same used.

Web Laney Cub 12R Service Manual.


This is the 4 pages manual for laney cub 12r service manual. I have one on the bench that has a load hum that is defying the usual fault finding techniques, largely due. 06/05/2009 time:14:11:23 sheet 1 of.

Page 10 Laney Power Switch:


Web does anyone have a schematic for the laney cub 8? Sheet of a3 w w w.laney.co.uk. Web here is the link to the cub10 & 12 schematics.