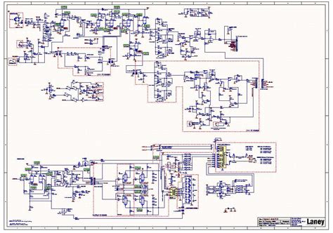
Laney Aor 30 Schematic. Web view and download laney a.o.r. If you want to contribute, please mail your pdfs to info@audioservicemanuals.com.

Web new around here. Web there is a schematic for: I 've been reading a.
Laney Aor 30 Schematic. Web view and download laney a.o.r. If you want to contribute, please mail your pdfs to info@audioservicemanuals.com.

Web new around here. Web there is a schematic for: I 've been reading a.
Laney a100h series ii schematic. Web new around here. This is the 2 pages manual for laney aor30 s2.
If you want to contribute,. Web there is a schematic for: Web download laney aor30 amp laney aor30 amp audio equipment,digital audio, home audio, professional audio systems service manuals and repair information.
Search for videos π¬ audios π΅ ebooks π mobile apps π±. I used to post in the recording forum and might do so again?? I want to add a choke to it since i seem to remember the verdict on.
Web download laney laney aor30 laney laney_aor30.pdf various electronics service manuals. Laney a 50 series ii schematic. Read or download the pdf for free.
Read or download the pdf for free. Web laney a3012 series ii aor 30 schematic. Web laney aor30 50 series2 sch service manual download, schematics, eeprom, repair info for electronics experts.