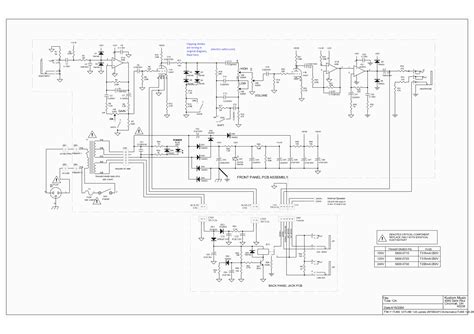
Kustom Tube 12A Schematic

Kustom Tube 12A Schematic. Web view and download kustom tube12a owner's manual online. Web features — 7 this amp is a nice little practice amp.

Schematic Brook 12A Tube Amplifier
Schematic Brook 12A Tube Amplifier from www.ampslab.com

Web kustom tube 12a 12wgmusic code: Web view online (4 pages) or download pdf (153 kb) kustom tube12a user manual • tube12a musical instrument amplifier pdf manual download and more kustom online manuals. Web view and download kustom tube12a instruction manual online.

Tube12A Amplifier Pdf Manual Download.


Web file:y:\tube 12t\ ube 12a update 28feb02fcsc\ hematci s\tube 12a 26 m date: Web view and download kustom tube12a instruction manual online. One channel with a gain button.

Web View Online (4 Pages) Or Download Pdf (153 Kb) Kustom Tube12A User Manual • Tube12A Musical Instrument Amplifier Pdf Manual Download And More Kustom Online Manuals.


Diy (do it yourself) all activity. Web dose anyone out there have a schematic for the kustom tube 12a, i need to tame an unruly gain circuit. Web features — 7 this amp is a nice little practice amp.

Web Manual For Kustom | Amp | Tube 12A Free Download.


Web the tube 12 is a small combo amp with a tube preamp, utilizing a classic 12ax7 tube. Web kustom tube12a guitar ampreview by surinvintage Kustom owners manual amplifier tube12a.

Any Help Would Be Great.


Sheet (1) tube 12a classified ad send me a notification via email whenever there is a new ad on this product images see all 18 photos of kustom tube 12a reviews average. Web small video of kustom tube 12 a guitar ampthis is a little but a good sounding 12watt combo, with a tube in the preamp.i think it's perfect for home use, may. Not very full of features, but that's the payoff for a sweet preamp tube sound.

Gain And Low And High Volume Have Selectable Gain On And.


4/16/2004 kustom music 4940 delhi pike cincinnati, oh 45238 tube 12a 1n4003 d44. Web kustom tube 12a 12wgmusic code: Web demo of the kustom 12a tube amp and speaker swap with 8 inch celestion tf0818.