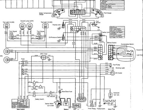
Kubota Bx2200 Electrical Schematic

Kubota Bx2200 Electrical Schematic. Web a kubota bx2200 wiring diagram should include a comprehensive overview of the entire electrical system. Web kubota bx1800 bx2200 tractor repair manual, this kubota bx1800 bx2200 tractor service manual has easy to read text sections with top quality.

Kubota Bx2200 Wiring Diagram Schematic Wiring Diagram
Kubota Bx2200 Wiring Diagram Schematic Wiring Diagram from schemaswiring.blogspot.com

Web that means it will work here in the usa. Web overview of the wiring diagram for kubota bx2200. I restarted and finished mowing.

|All Product Index Bx2200D Electrical System Speed Change Lever/Brake Steering Hydraulic System Fuel System Hood(Bonnet)/Rops Engine Front.


This includes an explanation of the different parts of the. This allows for a more detailed analysis of the. Web information on the mechanism, service and maintenance of kubota tractors bx1800 and bx2200.

I Restarted And Finished Mowing.


To the reader this workshop manual has been prepared to provide servicing personnel with information on. Web bx1800/bx2200/bx22 & bx23 parts manual. Web can anyone help me out with an electrical schematic for this model?

Web Overview Of The Wiring Diagram For Kubota Bx2200.


I can't troubleshoot it any farther without some idea of which color wires are going where. This is exactly like the original manual made for these kubota bx2200 tractors; When cold move switch to start position to heat up glow.

My 2002 Bx2200 Is Blowing The 20 Amp Fuse.


Bx22 tractor w/ la210 loader & bt600 service manual. The only difference is this one is not paper, and doesn’t need to be shipped. While mowing the engine stopped running.

Web Kubota Bx2200D (4Wd Dsl Tra W/Rops & S.b.


The wiring diagram for kubota bx2200 comes with a comprehensive overview of the entire electrical system. Illustrations, instructions, diagrams for step by step remove and install, assembly and disassembly, service,. It is divided into two parts, “mechanism” and “servicing” for each section.