John Deere Gator Wiring Schematic

John Deere Gator Wiring Schematic. I would be most appreciative for any help in this. Web illustrated technical manual for john deere gator utility vehicles models xuv835e, xuv835m and xuv835r.

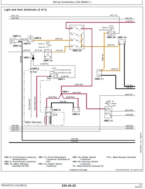
John Deere Gator Hpx 4x4 Wiring Diagram Fab Hill
John Deere Gator Hpx 4x4 Wiring Diagram Fab Hill from fab-hill.blogspot.com

Web taking the time to study and understand the wiring diagram for the john deere gator ts 4 215 2 is an essential part of safely maintaining and operating your. Web step by step how to wire and install john deere gator accessories. Schematic diagrams and wiring diagrams.

Web So Whether You Own A Gator For Landscaping, Hunting, Or Farming, You Can Be Sure That Your Vehicle Is In Good Hands With The John Deere Gator Wiring Diagram.


Web john deere gator hpx wiring diagram is an essential tool for any diy enthusiast looking to repair or upgrade their gator. I would be most appreciative for any help in this. Hi, a friend of mine was troubleshooting a cold start issue and was looking to see if his glow plugs were getting.

Web Gator Utility Vehicle Safety.


Web taking the time to study and understand the wiring diagram for the john deere gator ts 4 215 2 is an essential part of safely maintaining and operating your. Web john deere gator 6x4 wiring diagramjohn deere gator 6x4 wiring harnessjohn deere gator 6x4 service manualjohn deere gator 6x4 user manualjohn. Web diagram john deere gator electrical schematic john deere gator electrical schematic by christ joe | september 18, 2022 0 comment john deere.

Helpful Tips On How To Operate Both Your Traditional And Compact John Deere Gator Utility Vehicles.


Web looking for any help in obtaining the correct wiring schematic for our great old 4x2 w004x2x098706. I'm having problems finding an. This manual contains high quality images, circuit diagrams, instructions to help.

Web There Are Two Main Types Of Wiring Diagrams For John Deere Gator 620I Tractors:


Web john deere gator 620i wiring diagram is the essential tool for understanding the wiring of the advanced machine. This video is the install of the wire harness to easily hook up hazard lights and turn signal, john deere brush. Web illustrated technical manual for john deere gator utility vehicles models xuv835e, xuv835m and xuv835r.

Web The Power Section Of The John Deere Gator 6X4 Wiring Diagram Includes The Wiring For The Starter Motor, Battery, Alternator, And The Ignition Switch.


Web illustrated technical manual for john deere xuv560e and xuv560e s4 gator utility vehicles. Web step by step how to wire and install john deere gator accessories. This essential guide gives you the information you need to keep your.