Jeep Commander Wiring Schematic

Jeep Commander Wiring Schematic. Free online service and repair manuals. Web electrical wiring diagram, jeep grand cherokeejeep grand cherokee 2020 (3.0l/3.6l/5.7l/6.2l/6.4l) wiring diagram.

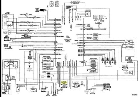
2006 Jeep Commander Wiring Body Mopar Parts Giant
2006 Jeep Commander Wiring Body Mopar Parts Giant from www.moparpartsgiant.com

Web free online jeep commander service manuals, jeep commander repair manuals, jeep commander wiring diagrams in pdf format. Web jeep commander service pdf's covering routine maintenance and servicing; These manuals are used in the inspection.

Get Access All Wiring Diagrams Car.


Web 2008 jeep commander wiring diagrams. Web free online jeep commander service manuals, jeep commander repair manuals, jeep commander wiring diagrams in pdf format. Hands free module wiring diagram.

Web Oem Electrical Parts Diagrams.


Zoom in and see wiring colors for each wire and its location. Free online service and repair manuals. Web moparpartsgiant.com offers the wholesale prices for genuine 2007 jeep commander parts.parts like.

Web Brett Martin August 17, 2020 2006 Jeep Commander Wiring Harness Images.


Web electrical wiring diagram, jeep grand cherokeejeep grand cherokee 2020 (3.0l/3.6l/5.7l/6.2l/6.4l) wiring diagram. These manuals are used in the inspection. We carry a large selection of jeep electrical replacement parts including alternator, wiring & ignition parts.

Web Commando Car Alarms Offers Free Wiring Diagrams For Your Jeep Commander.


Use this information for installing car alarm, remote car starters and keyless entry into a. All windows don't work all 4 windows. Get access all wiring diagrams car.

Detailed Jeep Commander Engine And Associated Service Systems (For Repairs And Overhaul) (Pdf).


Radio wiring diagram (1 of 3) get access all wiring diagrams car. Web free 2009 jeep wiring diagrams. Web wiring diagrams › jeep › 2006 › commander.