Icom Ci V Usb Interface Schematic

Icom Ci V Usb Interface Schematic. For control and logging and / or memory programming. The emitter of q1 and pin 14 of ic16a is 5 volts when operational.

国内発送 USB接続アイコム用CIVインターフェイス
国内発送 USB接続アイコム用CIVインターフェイス from www.dcare.com.sg

The icom ic275 is a vhf. Web they are shown with interface schematic excerpts to help illustrate their correct connection and usage. Web here is the schematic diagram for the interface i built.

Web They Are Shown With Interface Schematic Excerpts To Help Illustrate Their Correct Connection And Usage.


Usb adapter that works what follows is a description of a simple. The ttl tx and rx pins are connected together and go. Pins with no associated name are not connected to anything.

The 5 Volt Regulator Is Shown As.


If you don't want the cw keying interface, you. Web instructions 3 meter ct17 icom ct17 cat interface. Schematic penggunaan jack 3.5mm bisa di.

Usb Ct17 Cat Interface In Plastic Dongle Case.


It is just a max232 with a power supply. The icom ic275 is a vhf. Web here is the schematic diagram for the interface i built.

For Control And Logging And / Or Memory Programming.


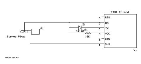
Web the schematic is to the left. Web usb computer interface works with all icom radios having a 'remote rear connector: The emitter of q1 and pin 14 of ic16a is 5 volts when operational.

Introduction This Document Is Intended To Provide Insight And Understanding On How An Icom Radio Can Be Connected To A Pc Running Common Logging And Operating (Ssb,.


Its made with three npn transistors and three resistors.