Hp Printer Schematic Diagram

Hp Printer Schematic Diagram. Hp color laserjet enterprise cm4540mfp. 4 color graphics display (also referred to as the display) 5 memory card slots led.

HP P2035 P2055 Laser Printer Diagrams
HP P2035 P2055 Laser Printer Diagrams from www.metrofuser.com

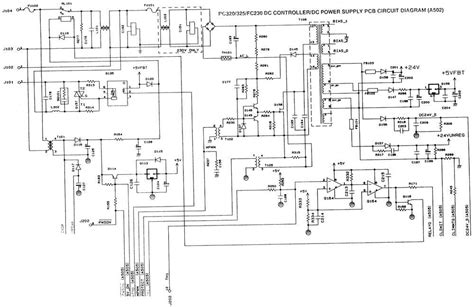
Find your pritner parts, service manuals, and service diagrams. Hp laser printer circuit diagram. Hp printer board schematic n type laser diode.

Wp102 Xc9500Xl Pinout Cartridge Hp Canon Pinout Cartridge Printer Inkjet Print Head Interface Ink Cartridge Chip Hp Inkjet Cartridge Chip Inkjet Cartridge Chip Canon Cartridge Chip Canon Ink Cartridge Chip Dot Matrix Printer Circuit Diagram Datasheet Hp.


Web tips for better search results. Web hp color laserjet cp1215 series. Hp color laserjet enterprise cm4540mfp.

I Have Tried Hp Support And They Have Not Been Able.


Here you can purchase downloadable service manuals and schematic diagrams for many types and brands of professional and consumer office and home electronics, entertainment. There are either no diagrams or the wrong diagrams in the user manuals. Web service manuals and repair information about laser, dot matrix, label printer and ink jet printers of different makes:

Internal Components 2 Of 3;


Schematic diagram for laptops compaq c700 & hp g7000 project: Web hp m402 m403 m426 m427 laser printer part diagrams laser printer parts > printer parts diagrams > hp m402 m403 m426 m427 parts diagrams hp laserjet enterprise printers hp m402 m403 m426 m427 hp m402 m425 printer parts diagram index hp. Lg534ua for samsung print products, enter the m/c or.

Web Currently I Repair A Hp Printer Laserjet Mp4P C2040A.


Hp printer board schematic n type laser diode. Web welcome to lexmark and hp printer support center. Web i need schematic diagrams of my 2 hp computers.

Paper Jam Use Product Model Name:


Web this document is for hp photosmart 7520 and 7525 printers. Find your pritner parts, service manuals, and service diagrams. Web welcome to our service manuals and schematics website.