Hoover Wind Tunnel Schematic

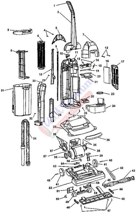
Hoover Wind Tunnel Schematic. Click the item you need in the schematic diagram. 1 the schematic diagram of the wind tunnel is presented showing the position of the cylinders at the exit end of the wind tunnel.

Hoover Windtunnel Parts Hoover Windtunnel Hoover Wind Tunnel USA
Hoover Windtunnel Parts Hoover Windtunnel Hoover Wind Tunnel USA from www.usavacuum.com

Web manual hoover windtunnel air uh72400. Web hoover vacuum cleaner owner's manual (45 pages) vacuum cleaner hoover windtunnel t1 series owner's manual. Earn 169 hoover points with this purchase.

Free Shipping Over $35 | Price Match Guarantee


Click the item you need in the schematic diagram. Web hoover vacuum cleaner dusting brush with lock pin. If so we have it here, take a look.

Locate The Item You Need In The Diagram (S) Below, Then Select It In The List Of Products Below For Full Description &.


Click the item you need in the schematic diagram. ® this windtunnel ™ vacuum cleaner takes hoover type “y” allergen ® filtration filter bags. Orders ship within 24 hours.

Web Manual Hoover Windtunnel Air Uh72400.


Web prices slashed on hoover uh70120 windtunnel rewind upright vacuum cleaner parts. Web vacuum cleaner hoover windtunnel user manual. It has a pin on the top of the connector to lock.

Earn 169 Hoover Points With This Purchase.


1 the schematic diagram of the wind tunnel is presented showing the position of the cylinders at the exit end of the wind tunnel. Web vacuum cleaner hoover windtunnel wind tunnel canister cleaner with powered hand tool owner's manual canister cleaner with powered hand tool (14 pages) vacuum. Locate the item you need in the diagram (s) below, then select it in the list of products below for full description & price.

(28 Pages) Vacuum Cleaner Hoover Uh70100Rm Owner's.


Web hoover vacuum cleaner owner's manual (45 pages) vacuum cleaner hoover windtunnel t1 series owner's manual. View the hoover windtunnel air uh72400 manual for free or ask your question to other hoover windtunnel air uh72400 owners. Orders ship within 24 hours.