Hammond Hr 40 Schematic

Hammond Hr 40 Schematic. This site helps you to save the earth from electronic waste! Service manuals, schematics, documentation, programs,.

Overhauling the AO29 Amplifier in the Hammond M100 Series
Overhauling the AO29 Amplifier in the Hammond M100 Series from www.stefanv.com

Service manuals, schematics, documentation, programs,. This site helps you to save the earth from electronic waste! Web service manuals, schematics, eproms for electrical technicians.

So, When The Schematic Says 4 Ohms That Is The Parallel.


Web hammond hr 1 reverb power amp d 20 f 40 cabinets schematic. This site helps you to save the earth from electronic waste! Web various sm scena hammond hr40.zip various electronics service manuals.

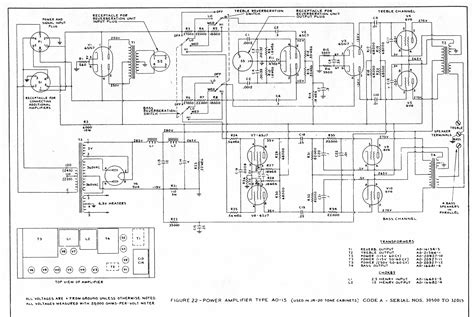
Web Below Are The Schematics For The Related Circuit (Click On The Images To Make Them Clearer).


I decided to use this amp since it has an internal 200hz. Web the dcr on mine measure > 5 ohms each which is about right for a speaker of 8 ohms impedance. No login, no charge and no limit.

There Is A Fit On Page Print.


Web howdy folks, i'm the guy who now has the hr40 tone cabinet.been giving it some tlc,etc. On later units r47, r48, are 82k. Read directly or download pdf.

Web The Hammond Tone Cabinet Hr 40 Schematic Offers An Array Of Features That Make It A Perfect Choice For Both Studio Recording And Live Performance.


Organ combo tube amplifier product description: Service manuals, schematics, documentation, programs,. This is the 1 pages manual for hammond hr 1 reverb power amp d 20 f 40 cabinets schematic.

Web Service Manuals, Schematics, Eproms For Electrical Technicians.


These schematics print best with acdsee right click on image and save to your schematics directory. In the first schematic you will see the connector p304… which is our. R86, r89, (51, c54 deleted.