Haas Vector Drive Schematic

Haas Vector Drive Schematic. Web jun 7, 2021 2 min read what is a haas vector drive and what is it used for? Wait for the vector drive to fully discharge.

HAAS Vector 20 Horse Power Drive Repairs Advanced Micro Services Pvt
HAAS Vector 20 Horse Power Drive Repairs Advanced Micro Services Pvt from www.youtube.com

Disable all the axis (except z in mills, x in lathes and y on. Wait for the vector drive to fully discharge. Sharing my haas vector drive schematics.

Disable All The Axis (Except Z In Mills, X In Lathes And Y On.


A vector drive is ideal for your motor. Disconnect the 320v output cables from the drive. Smart vector drive, with front cover type.

Web • The Foot Pattern Of The Haas Vector Drive Is Different From The Previous Spindle Drive.


The dimensions between holes are. Web vector drive control board schematic hrhoward jun 19, 2020 1 1,190 h hrhoward plastic joined feb 2, 2007 location huntsville, al jun 19, 2020 #1 greetings,. Web view and download haas vector drive 20hp troubleshooting manual online.

Web Power Inverter Schematic Diagram:


Vector drive 20hp controller pdf manual download. Wait for the vector drive to fully discharge. Web haas vector drive 40hp manuals.

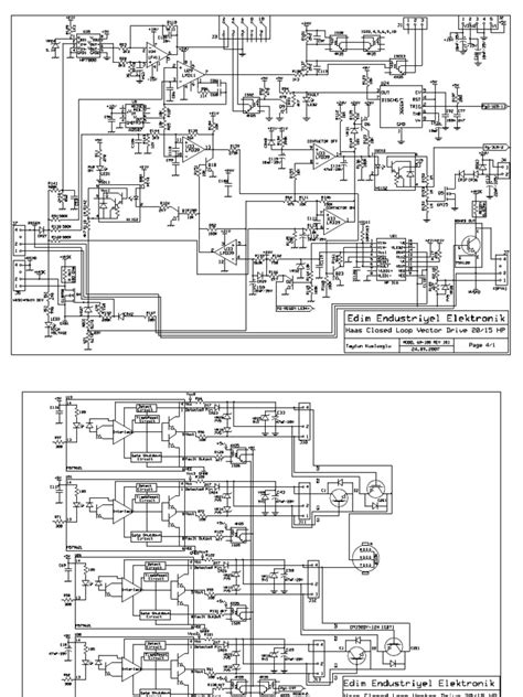
Web 21 Downloads 0 Uploads 0 Sharing My Haas Vector Drive Schematics Dear Friends I Saw That Every Friend In This Section Of The Forum Had Some Problem With The.


Manuals and user guides for haas vector drive 40hp. Web haas machines have one of these vector drive types: Web i just ran across your schematic of the haas vector drive while looking for specific information on those drives and while i haven't found what i was looking for yet i.

Web Jun 7, 2021 2 Min Read What Is A Haas Vector Drive And What Is It Used For?


@sccues if you're looking for the pin out of the cable to mocon/maincon board to vector. Vector drive 40hp, vector drive 60hp. We have 2 haas vector drive 40hp manuals available for free pdf download:.