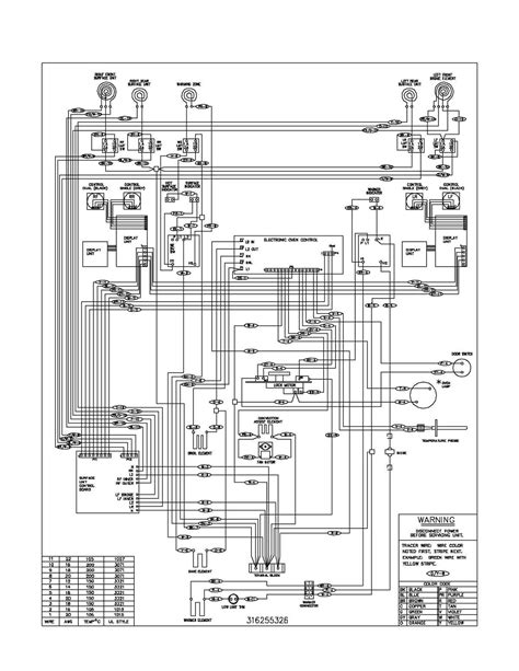
Goodman Furnace Wiring Schematic

Goodman Furnace Wiring Schematic. Web contribute to usermanual101/usermanual101.github.io development by creating an account on github. Web the goodman furnace control board wiring diagram is a detailed schematic of the electrical connections between the furnace components.

Goodman Furnace Wiring Schematic Free Wiring Diagram
Goodman Furnace Wiring Schematic Free Wiring Diagram from ricardolevinsmorales.com

Web when you’re ready to start, make sure all the components are marked clearly. Web goodman ac wiring diagrams are the most comprehensive diagrams available. Here is how you do it!.

Voltage, Ground, Individual Component, And Switches.


Web goodman 10kw heat strip wiring diagram. This will make them easier to identify in the wiring diagram. Web goodman electric furnace wiring diagram, goodman furnace blower motor wiring diagram, goodman furnace control board wiring diagram, goodman furnace.

Web Goodman Ac Wiring Diagrams Are The Most Comprehensive Diagrams Available.


In this diagram, you will notice two extra wires (black) that connect. Web 204 36k views 3 years ago this video is to be used as a reference for the low voltage control wiring of your heating and ac system. They include everything from basic installation instructions to advanced troubleshooting guides.

Replace The Thermostat’s Wire One By One If You Are Changing The Hvac Components, Adding A New Wire, And Installing A New Thermostat.


Goodman furnace thermostat wiring diagram. Web the goodman literature library has consumer brochures and technical specifications for various goodman hvac models and product lines. Here is how you do it!.

Web Goodman Thermostat Wiring Diagram.


Web contribute to usermanual101/usermanual101.github.io development by creating an account on github. Web a wiring diagram allows a homeowner or service technician to correctly identify the electrical connections of the goodman air conditioner or heat pump and. Web goodman furnace control board wiring diagram for your needs;

Web Goodman Electric Furnace Wiring Diagrams Offer A Step By Step Guide For Connecting All Of The Wires Necessary For An Electric Furnace.


Web the goodman furnace control board wiring diagram is a detailed schematic of the electrical connections between the furnace components. All circuits usually are the same : Always refer to your thermostat or.