Fm Transistor Radio Schematic

Fm Transistor Radio Schematic. Web the figure below shows how the single transistor radio can be made, we can clearly see that it just involves a single transistor as the main active component.a. David & babylyn cantelon, 6 ferncrest gate, scarborough, ontario, canada, m1w_1c2.

Signal Flow Transistor AM Radio YouTube
Signal Flow Transistor AM Radio YouTube from www.youtube.com

(c) rectified rf at diode cathode, without c2 filter capacitor. David & babylyn cantelon, 6 ferncrest gate, scarborough, ontario, canada, m1w_1c2. Web about am radio schematic, an am radio receiver circuit can use either one or more transistors alongside other electric components to function effectively.

Web The Figure Below Shows How The Single Transistor Radio Can Be Made, We Can Clearly See That It Just Involves A Single Transistor As The Main Active Component.a.


(c) rectified rf at diode cathode, without c2 filter capacitor. Model page created by franz scharner. Web about am radio schematic, an am radio receiver circuit can use either one or more transistors alongside other electric components to function effectively.

Web Fm Radio Is Transmitted With A Process Called Frequency Modulation.


David & babylyn cantelon, 6 ferncrest gate, scarborough, ontario, canada, m1w_1c2. Just like any audio amplifier, it picks up signals and plays music. Web july 20, 2018.

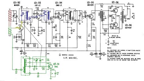
Web Schematics And Service Information Costs $19 Us Per Radio.


(d) demodulated audio to headphones. Today i thought of listing all of them here as a single web. Over years we have developed a number of fm transmitter circuits with various aspects.

Afc, Leather Case, Pull Up Antenna.


(b) modulated rf at antenna. How the fm transmitter works the circuit is powered by a 9v power supply. Web here is the schematic for the fm transmitter we are going to build: