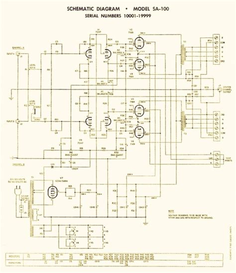
Fisher Sa 100 Schematic

Fisher Sa 100 Schematic. Fisher sa 100 service manual. Web fisher 100 az schematic.

Today's Fresh Catch The Vintage Fisher SA100 Stereo Amplifier Jeff
Today's Fresh Catch The Vintage Fisher SA100 Stereo Amplifier Jeff from jeffsplace.positive-feedback.com

Chassis only or for «building in» dimensions (whd) 12.56 x 6.75 x 7.125 inch / 319 x 171 x 181 mm; This is the 8 pages manual for fisher sa 1000 schematic. Web this is the 2 pages manual for fisher sa 300 schematic.

If You Want To Contribute, Please Mail Your Pdfs To.


Read or download the pdf for free. This is the 1 pages manual for fisher 100 az schematic. Read or download the pdf for free.

Chassis Only Or For «Building In» Dimensions (Whd) 12.56 X 6.75 X 7.125 Inch / 319 X 171 X 181 Mm;


Web fisher 100 az schematic. Web the sound of uncle paul’s fisher amplifier at our wonderful family thanksgiving gatherings greatly impressed me many moons ago. If you want to contribute, please mail your pdfs to info@audioservicemanuals.com.

Web This Is The 2 Pages Manual For Fisher Sa 300 Schematic.


This is the 8 pages manual for fisher sa 1000 schematic. Fisher sa 100 owners manual. Read or download the pdf for free.

Web Fisher Sa 1000 Schematic.


Fisher sa 100 service manual. If you want to contribute, please mail your pdfs to. Fisher sa 300 b schematic.