Fender Fuzz Wah Schematic

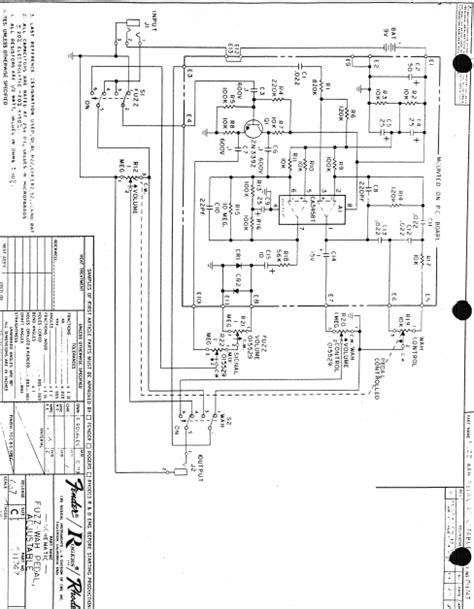
Fender Fuzz Wah Schematic. Web fenderfuzzwahpedal partspricelist 004026 capacitor,disc.,22pf1000v 1.00 012032 label,caution.50 007029 capacitor,disc.,220pf1000v.50 012231. Web the fender fuzz wah had switchable modes between fuzz or wah effects.years of production:

Схемы всех изделий фирмы Other GuitarWork.ru
Схемы всех изделий фирмы Other GuitarWork.ru from guitarwork.ru

Web fender fuzz wah pedal schematic (pdf download) can't find what you need? Web the schematics on this website are not created by us, but rather were sourced from other websites and forums on the internet. I have access to literally hundreds of thousands of obsolete user manuals, lots.

Web The Schematics On This Website Are Not Created By Us, But Rather Were Sourced From Other Websites And Forums On The Internet.


Web the fender fuzz wah had switchable modes between fuzz or wah effects.years of production: Web nope, i don't think it's a blender. Schematics and printed circuit board layouts for rare pedals like the tycobrahe octavia, clyde.

Web Fender Fuzz Wah Pedal Schematic (Pdf Download) Can't Find What You Need?


Web fenderfuzzwahpedal partspricelist 004026 capacitor,disc.,22pf1000v 1.00 012032 label,caution.50 007029 capacitor,disc.,220pf1000v.50 012231. I have access to literally hundreds of thousands of obsolete user manuals, lots.