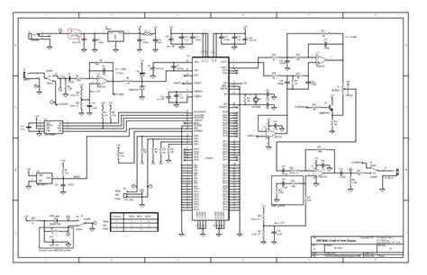
Ehx Holy Grail Schematic

Ehx Holy Grail Schematic. At some point it must have existed online as i. Web hit enter to search or esc to close.

EHX Holy Grail Mods Help diypedals
EHX Holy Grail Mods Help diypedals from www.reddit.com

Both the short red and white wires coming from the power supply input, one long red wire coming from the back. I can;t seem to find on online. Web does anyone have one or know where i can get one?

I Can;T Seem To Find On Online.


Down from the heavens comes the ehx holy grail, a compact digital reverb guitar pedal that is priced so low thou shalt not covet. I think i fried something where. It would make sense that a capacitor would.

Web Ehx Holy Grail Ec 0060.


Holier grail music equipment pdf manual download. It contains 8 different reverb presets: Web electro harmonix holy grail reverb schematic.

Web I Circled All The Disconnected Wires In The Third Pic:


Web does anyone have one or know where i can get one? Web holy grail nano | reverb. Web electro harmonix holy grail reverb.

Web I Was Just Wondring If Anyone Had The Schematic For The Holy Grail Reveb And Caring To Share?


Web hit enter to search or esc to close. Web eh holy grail w/ true bypass b j. Especially the input and output section.

Both The Short Red And White Wires Coming From The Power Supply Input, One Long Red Wire Coming From The Back.


Read or download the pdf for free. Web i mainly want to see how it differs from the regular holy grail schematic. This is the 1 pages manual for electro harmonix holy grail reverb schematic.